Kurt TL4CS TriLock Vise – CARVESMART Jaws
Part No. TL4CS
$2,102.00
NEW! 4-inch TriLock double-station vise with 3-in-1 design—converts into two additional single station vise sizes—includes CARVESMART movable and stationary jaws with two sets of aluminum soft jaw plates.
Description
Description
NOW AVAILABLE!
The new Kurt TriLock Vise with CARVESMART™ has a revolutionary design that transforms a single vise into three different vise sizes in minutes and can be completely disassembled for cleaning or setup in under 3 minutes. Patented CARVESMART jaws mount using a dovetail system that locates precisely with every jaw change and hold parts as solid as any bolt-on jaw. CARVESMART movable and stationary jaws are preinstalled with two pairs of aluminum soft jaws.  Search other CARVESMART jaw plates here –>
TL4CS 3-in-1 TriLock Design
The TriLock design does the work of three vises in a single vise model and converts quickly between a double-station vise with as much as 4-inches of part capacity on each side, a single-station vise large enough for a 4-inch part or a large single-station vise that can hold parts as large as 11 inches wide with stock hard jaws. The friction block or “Third Hand” feature allows the nut and screw assembly to move freely within the base of the vise while making vise-size changes or cleaning. A special friction block setting allows operators to change between in horizontal machines.
Features & Benefits
- Save money and setups with 3-in-1 vise design.
- 17.75-inches long
- TriLock vises can be torn down for cleaning in just minutes.
- Vise is lighter and easy for one person to install or move when disassembled for cleaning.
- CARVESMART jaws come in multiple sizes and styles and can be ordered in bulk lengths.
- CARVESMART SmartStopped jaws have locating pins for easy repeatability.
- Space-saving design allows multiple vises to be mounted side-by-side in a machine.
- TriLock TL4CS includes two sets of CARVESMART 3/4″ x 2″ x 4″ soft jaws.
- Includes vise handle and 2 hex wrenches.
Resources
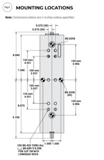
Dimensional Data
Dimensional Data
Clamping Force Pounds
Clamping Force Pounds
| Torque Ft-Lbs | Force in lbs. |
| 10 | 680 |
| 20 | 1,210 |
| 30 | 1,730 |
| 40 | 2,320 |
| 50 | 2,860 |
| 60 | 3,510 |
| 70 | 4,250 |
| 80 | 5,010 |
| 90 | 6,090 |
| 100 | 6,910 |











