Kurt Extra Capacity Manual Reverse Vise, 8″ – XL8R
Part No. XL8R
$5,290.00
Kurt Industrial Products is an industry leading provider of advanced quality 8″ added capacity manual reverse vises for your industrial vise workholding needs. Contact us today for more information regarding our XL added capacity reverse vises or request a quote for an in-depth price analysis.
Description
Description
Kurt XL reverse vises are designed for the clamping of extremely large parts for both die and CNC applications. The jaw openings provide up to 28.765″ of versatile jaw opening space. These precise locking vises are ideal for high horsepower “hogging out” operations. Kurt XL reverse vises are accurate to within 0.001″ for precise, easy alignment in multiples. XL vises may be used as receivers for other workholding devices.
XL8R Features
- Precision clamping force up to 20,376 Lbs.
- Jaw lift reduction due to AngLock design.
- Ductile iron body provides up to 80,000 lb.
- 8” jaw widths with jaw openings from 0″-21″ with a maximum of 28.765″ (in the outside jaw positions).
- “Pull-Type” clamping provides high precision and repeatability.
- Excellent for high horsepower “hogging out” applications.
- Part loading is safer and easier for the operator due to reverse model “reach-over” distance reduction. Also, part programming is simpler in the “Y” axis positive direction.
- Manual and hydraulic models available.
- Hydraulic feature a 1/4″ stroke.
- Available internal hex screw.
Resources
Resources
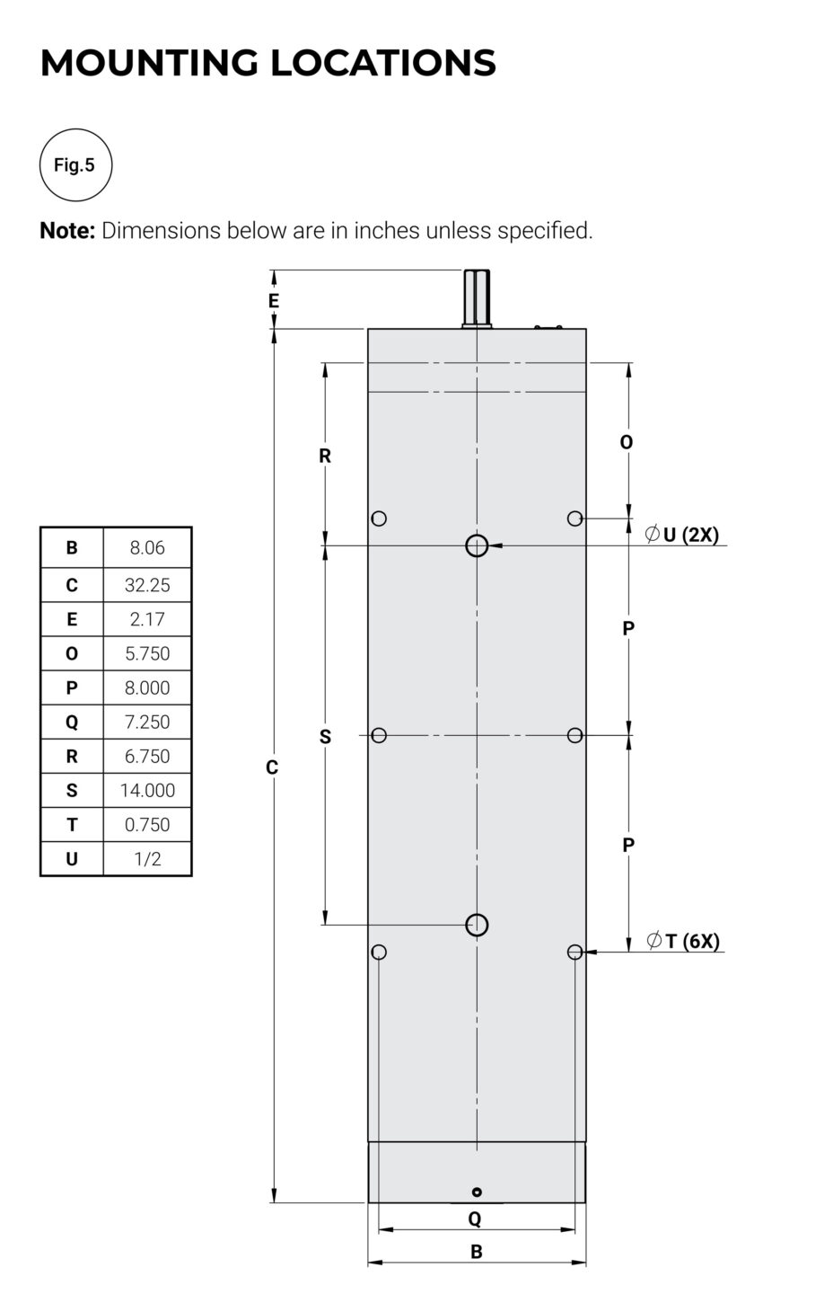
Dimensional Data
Dimensional Data
Clamping Force Pounds
Clamping Force Pounds
| Torque Ft-Lbs | Force in lbs. |
| 20 | 2,904 |
| 40 | 5,664 |
| 60 | 7,872 |
| 80 | 10,824 |
| 100 | 13,848 |
| 120 | 16,632 |
| 140 | 19,008 |
| 160 | 20,376 |
Replacement Parts
Replacement Parts
XL8R Replacement PartsReviews
Reviews
You must be logged in to post a review.








There are no reviews yet.