Kurt 6″ Double Station Vise – English – HDL6
Part No. HDL6 English
Price range: $2,156.00 through $2,665.00
The Kurt 6″ Double Station Vise Features 2 clamping stations and multiple Jaw Configurations
Description
Description
The Kurt 6″ Double Station Vise is a High Density vise in an English configuration. The HDL Anglock vises are high density long vises with 2 clamping stations. They provide repeatable clamping to 0.0002″ and combine high density with heavy duty features. Designed on a rugged 80,000 PSI ductile iron body with steel components, they provide strength, rigidity and long term accuracy while absorbing machining vibration. Jaws for the Kurt Double Station Vise are available in the following options: Hard Jaws, Machinable Aluminum Jaws, or Machinable Ductile Iron Jaws.
Resources
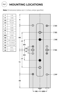
Dimensional Data
Dimensional Data
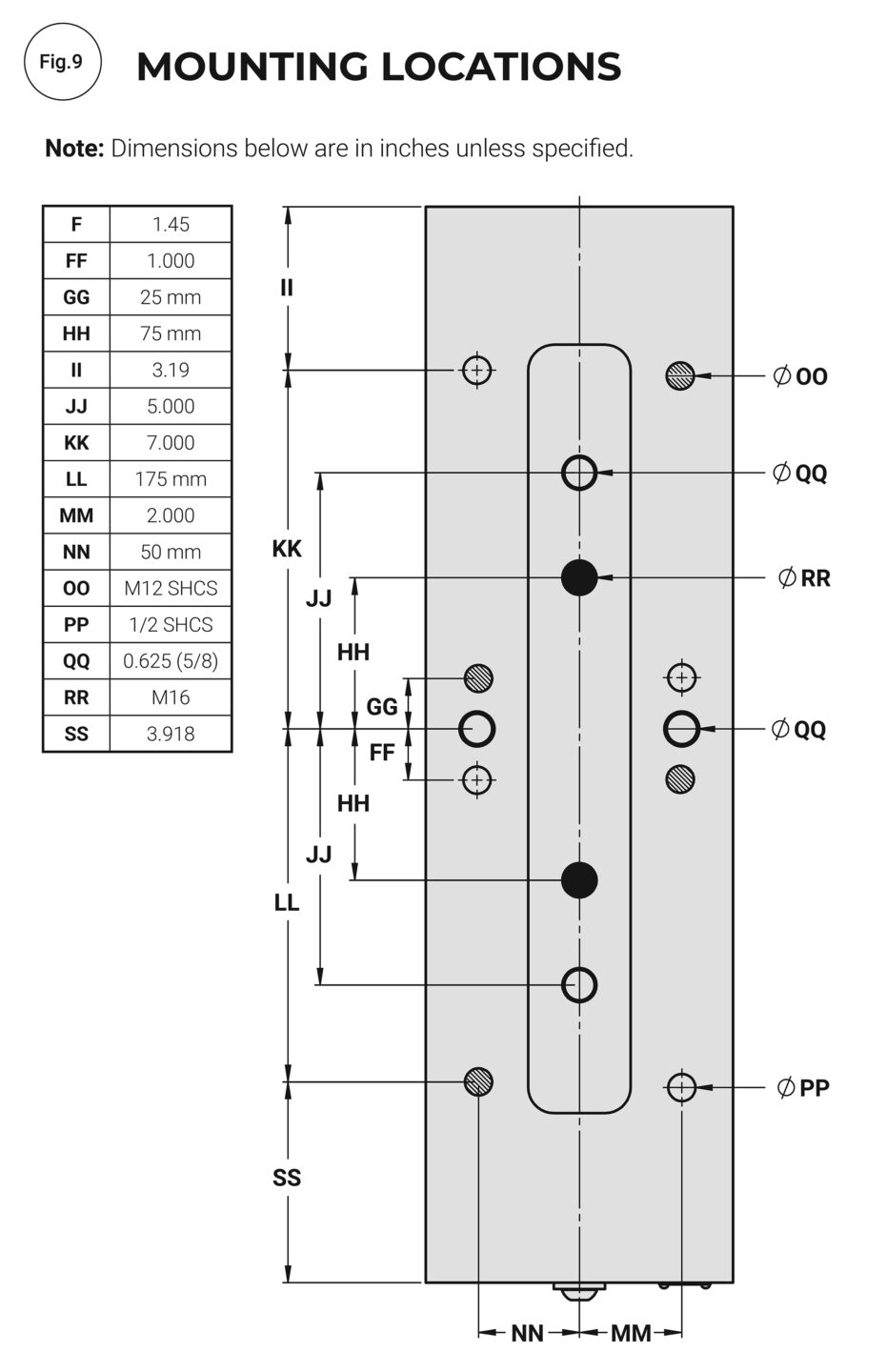
Clamping Force Pounds
Clamping Force Pounds
| Torque Ft-Lbs | Force in lbs. |
| 10 | 1,540 |
| 20 | 2,500 |
| 30 | 3,350 |
| 40 | 4,300 |
| 50 | 5,750 |
| 60 | 6,850 |
| 70 | 7,450 |
Videos
Videos
Products We Recommend
Products We Recommend
You may also like…
Replacement Parts
Replacement Parts
HDLM6/HDL6 Replacement PartsReviews
Reviews
You must be logged in to post a review.






There are no reviews yet.