| 7 | 2 | Kurt Thrust Bearing Washer - D50-42 | D50-42 | $10.00 | |
| 8 | 1 | Kurt Thrust Bearing - D50-41 | D50-41 | $10.00 | |
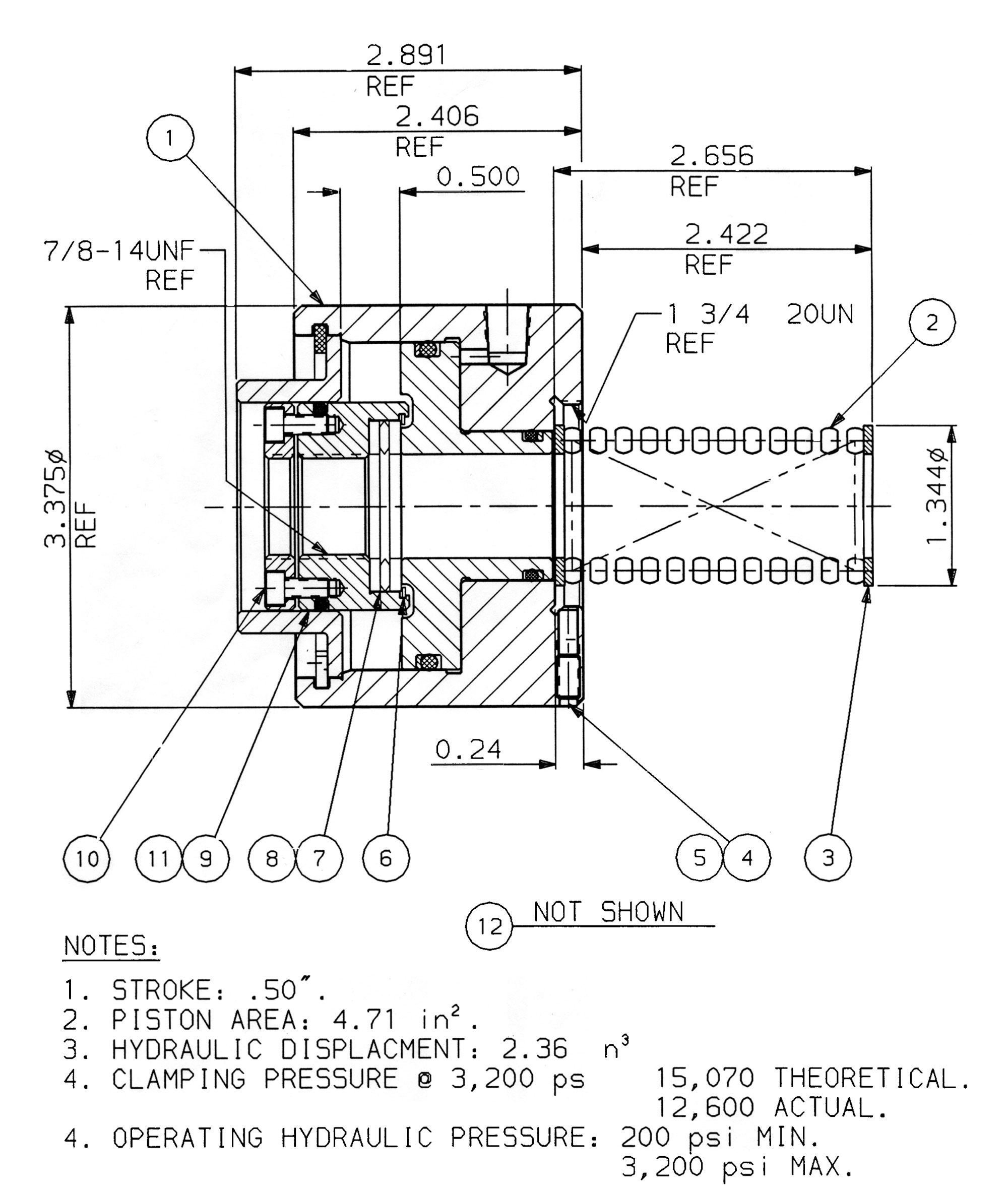
| 1 | 1 | Kurt Hydraulic Nut Threaded - 6.5THU-P | 6.5THU-P | $1,313.00 | |
| 9 | 1 | Kurt Retaining Nut, 2 Piece - 6.5THU-8 | 6.5THU-8 | $248.00 | |
| 6 | 1 | Kurt Retaining Ring - 6.5THU-231 | 6.5THU-231 | $7.00 | |
| 2 | 2 | Kurt Compression Spring - KHU6-87 | KHU6-87 | $21.00 | |
| 3 | 2 | Kurt Washer - 360HU-230 | 360HU-230 | $24.00 | |
| 11 | 1 | Kurt O-Ring, Buna N #129 - 3600V-128 | 3600V-128 | $7.00 | |
| 4 | 2 | Kurt Screw, SHSS, 10-24 X 3/8 Long F.P. - 01-1464 | 01-1464 | $7.00 | |
| 10 | 4 | Kurt Screw, SHCS, #8-32 X 3/8 - 00-1191 | 00-1191 | $7.00 | |